MXNL30C2R640H
井兮精密軸承(上海)有限公司專業銷售IKO MXNL30C2R640H導軌,庫存日本IKO MXNL30C2R640H導軌大量現貨,與廠家常年批量訂購IKO MXNL30C2R640H導軌,您可來電咨詢庫存、報價、優惠等信息。咨詢熱線:021-36539288

更新時間:2026.02.24 瀏覽量:992
同系列型號
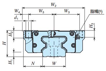
IKO MES35C2R600T1PS1直線導軌基本尺寸參數
- 直線導軌型號:
- MXNL30C2R640H
- 品牌:
- IKO
- 類型:
- 直線導軌
- 系列:
- 自潤滑直線導軌系列
- 滑塊 kg:
- 1.75
- 滑軌 kg/m:
- 5.01
- 裝配尺寸H:
- 38
- 裝配尺寸H1:
- 6.5
- 裝配尺寸N:
- 31
- W2:
- 90
- W3:
- 36
- W4:
- 9
- L1:
- 162
- L2:
- 80
- L3:
- 119.4
- L4:
- 170
- L5:
- —
- L6:
- 80
- d1:
- 8.5
- M1:
- M10
- 最大 螺紋擰入 深度(2):
- 9
- H2:
- 10
- H3:
- 4.5
IKO MES35C2R600T1PS1尺寸參數
- 直線導軌型號:
- MXNL30C2R640H
- W:
- 28
- H4:
- 28
- d3:
- 9
- d4:
- 14
- h:
- 12
- E:
- 40
- F:
- 80
- 附帶的滑軌(3) 安裝用螺栓 mm 螺釘的公稱x R:
- M 8x28
- 基本額定動 負荷(4) C N:
- 65 600
- 基本額定靜 負荷(4) C0N:
- 126 000
- 額定靜力矩(4) T0 N m:
- 2 290
- 額定靜力矩(4) Tx N m:
- 2 500 13 600
- 額定靜力矩(4) Ty N m:
- 2 500 13 600
