MLL15C2R320T2P
井兮精密軸承(上海)有限公司專業銷售IKO MLL15C2R320T2P導軌,庫存日本IKO MLL15C2R320T2P導軌大量現貨,與廠家常年批量訂購IKO MLL15C2R320T2P導軌,您可來電咨詢庫存、報價、優惠等信息。咨詢熱線:021-36539288

更新時間:2026.02.24 瀏覽量:697
同系列型號
IKO MES35C2R600T1PS1直線導軌基本尺寸參數
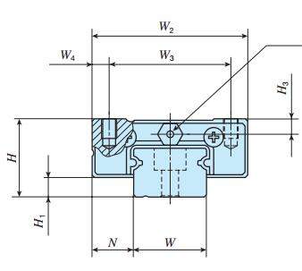
- 直線導軌型號:
- MLL15C2R320T2P
- 品牌:
- IKO
- 類型:
- 直線導軌
- 系列:
- 自潤滑直線導軌系列
- 滑塊 kg:
- 122
- 滑軌 kg/m:
- 107
- 裝配尺寸H:
- 16
- 裝配尺寸H1:
- 4
- 裝配尺寸N:
- 8.5
- W2:
- 32
- W3:
- 25
- W4:
- 3.5
- L1:
- 72
- L2:
- 40
- L3:
- 57.7
- L4:
- 76
- M1x深度:
- M3x4
- H3:
- 3.1
IKO MES35C2R600T1PS1尺寸參數
- 直線導軌型號:
- MLL15C2R320T2P
- W:
- 15
- H4:
- 10
- d3:
- 3.5
- d4:
- 6.5
- h:
- 4.5
- E:
- 20
- F:
- 40
- 附帶的滑軌(2) 安裝用螺栓 mm 螺釘的公稱x R:
- M3x10
- 基本額定動 負荷(4) C N:
- 8 370
- 基本額定靜 負荷(4) C0N:
- 13 600
- 額定靜力矩(4) T0 N m:
- 105
- 額定靜力矩(4) Tx N m:
- 122 585
- 額定靜力矩(4) Ty N m:
- 102 491
