MHS20C2R240T2SP
井兮精密軸承(上海)有限公司專業銷售IKO MHS20C2R240T2SP導軌,庫存日本IKO MHS20C2R240T2SP導軌大量現貨,與廠家常年批量訂購IKO MHS20C2R240T2SP導軌,您可來電咨詢庫存、報價、優惠等信息。咨詢熱線:021-36539288

更新時間:2026.02.24 瀏覽量:702
同系列型號
IKO MES35C2R600T1PS1直線導軌基本尺寸參數
- 直線導軌型號:
- MHS20C2R240T2SP
- 品牌:
- IKO
- 類型:
- 直線導軌
- 系列:
- 自潤滑直線導軌系列
- 滑塊 kg:
- 0.36
- 滑軌 kg/m:
- 2.56
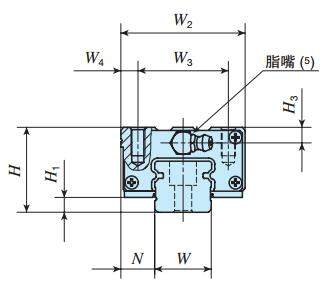
- 裝配尺寸H:
- 30
- 裝配尺寸H1:
- 5
- 裝配尺寸N:
- 12
- W2:
- 44
- W3:
- 32
- W4:
- 6
- L1:
- 83
- L2:
- 36
- L3:
- 56
- L4:
- 94
- M1x深度:
- M5x10
- H3:
- 5.5
IKO MES35C2R600T1PS1尺寸參數
- 直線導軌型號:
- MHS20C2R240T2SP
- W:
- 20
- H4:
- 18
- d3:
- 6
- d4:
- 9.5
- h:
- 8.5
- M:
- —
- h1(2):
- —
- h2:
- —
- E:
- 30
- F:
- 60
- 附帶的滑軌(3) 安裝用螺栓 mm 螺釘的公稱x R:
- M5x18
- 基本額定動 負荷(4) C N:
- 18 100
- 基本額定靜 負荷(4) C0N:
- 21 100
- 額定靜力矩(4) T0 N m:
- 232
- 額定靜力矩(4) Tx N m:
- 195 1 090
- 額定靜力矩(4) Ty N m:
- 195 1 090
