MESG15C2R640SLT2SP
井兮精密軸承(上海)有限公司專業銷售IKO MESG15C2R640SLT2SP導軌,庫存日本IKO MESG15C2R640SLT2SP導軌大量現貨,與廠家常年批量訂購IKO MESG15C2R640SLT2SP導軌,您可來電咨詢庫存、報價、優惠等信息。咨詢熱線:021-36539288

更新時間:2026.02.24 瀏覽量:1067
同系列型號
IKO MES35C2R600T1PS1直線導軌基本尺寸參數
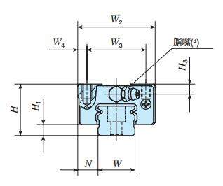
- 直線導軌型號:
- MESG15C2R640SLT2SP
- 品牌:
- IKO
- 類型:
- 直線導軌
- 系列:
- 自潤滑直線導軌系列
- 滑塊 kg:
- 0.18
- 滑軌 kg/m:
- 1.57
- 裝配尺寸H:
- 24
- 裝配尺寸H1:
- 5.8
- 裝配尺寸N:
- 9.5
- W2:
- 34
- W3:
- 26
- W4:
- 4
- L1:
- 70
- L2:
- 36
- L3:
- 51.1
- L4:
- 73
- M1:
- M4×7
- H3:
- 4.5
IKO MES35C2R600T1PS1尺寸參數
- 直線導軌型號:
- MESG15C2R640SLT2SP
- W:
- 15
- H4:
- 14.5
- d3:
- 3.6 (4.5)
- d4:
- 6.5 (8 )
- h:
- 4.5 (6 )
- E:
- 20
- F:
- 60
- 推薦的滑軌(2) 安裝用螺栓 mm 螺釘的公稱x R:
- M3x16 (M4x16)
- 基本額定動 負荷(3) C N:
- 9 340
- 基本額定靜 負荷(3) C0N:
- 12 500
- 額定靜力矩(3) T0 N m:
- 100
- 額定靜力矩(3) Tx N m:
- 99.5 533
- 額定靜力矩(3) Ty N m:
- 99.5 533
