ME25C2R280T2PS2
井兮精密軸承(上海)有限公司專業銷售IKO ME25C2R280T2PS2導軌,庫存日本IKO ME25C2R280T2PS2導軌大量現貨,與廠家常年批量訂購IKO ME25C2R280T2PS2導軌,您可來電咨詢庫存、報價、優惠等信息。咨詢熱線:021-36539288

更新時間:2026.02.24 瀏覽量:1018
同系列型號
IKO MES35C2R600T1PS1直線導軌基本尺寸參數
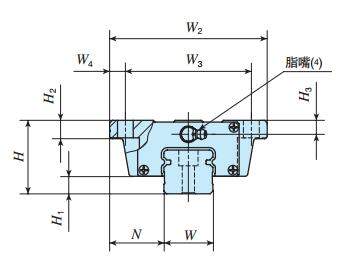
- 直線導軌型號:
- ME25C2R280T2PS2
- 品牌:
- IKO
- 類型:
- 直線導軌
- 系列:
- 自潤滑直線導軌系列
- 滑塊 kg:
- 0.56
- 滑軌 kg/m:
- 3.09
- 裝配尺寸H:
- 33
- 裝配尺寸H1:
- 7
- 裝配尺寸N:
- 25
- W2:
- 73
- W3:
- 60
- W4:
- 6.5
- L1:
- 83
- L2:
- 35
- L3:
- 56
- L4:
- 94
- d1:
- 7
- H2:
- 10
- H3:
- 6.5
IKO MES35C2R600T1PS1尺寸參數
- 直線導軌型號:
- ME25C2R280T2PS2
- W:
- 23
- H4:
- 19
- d3:
- 7
- d4:
- 11
- h:
- 9
- E:
- 20
- F:
- 60
- 推薦的滑軌(2) 安裝用螺栓 mm 螺釘的公稱x R:
- M 6x20
- 基本額定動 負荷(3) C N:
- 18 100
- 基本額定靜 負荷(3) C0N:
- 21 100
- 額定靜力矩(3) T0 N m:
- 262
- 額定靜力矩(3) Tx N m:
- 195 1 090
- 額定靜力矩(3) Ty N m:
- 195 1 090
