LWU86C2R800
井兮精密軸承(上海)有限公司專業銷售IKO LWU86C2R800導軌,庫存日本IKO LWU86C2R800導軌大量現貨,與廠家常年批量訂購IKO LWU86C2R800導軌,您可來電咨詢庫存、報價、優惠等信息。咨詢熱線:021-36539288

更新時間:2026.02.24 瀏覽量:1128
同系列型號
IKO MES35C2R600T1PS1直線導軌基本尺寸參數
- 直線導軌型號:
- LWU86C2R800
- 品牌:
- IKO
- 類型:
- 直線導軌
- 系列:
- 直線導軌U系列
- 滑塊 kg:
- 1.32
- 滑軌 kg/m:
- 14.1
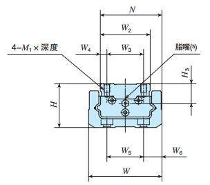
- 裝配尺寸H:
- 48
- 裝配尺寸H1:
- 71
- 裝配尺寸N:
- W2:
- 56
- W3:
- 46
- W4:
- 5
- L1:
- 1 30
- L2:
- 46
- L3:
- 93
- L4:
- 1 34
- M1x深度:
- M 6x 12
- H3:
- 25.5
IKO MES35C2R600T1PS1尺寸參數
- 直線導軌型號:
- LWU86C2R800
- W:
- 86
- H4:
- 42
- H5:
- 13
- W5:
- 46
- W6:
- 20
- d3:
- 7
- d4:
- 11
- h:
- 7
- E:
- 50
- F:
- 100
- 附帶的滑軌(3) 安裝用螺栓 mm 螺釘的公稱x R:
- M 6 x16 (不帶)
- 基本額定動 負荷(4) C N:
- 41 400
- 基本額定靜 負荷(4) C0N:
- 51 500
- 額定靜力矩(4) T0 N m:
- 1 470
- 額定靜力矩(4) Tx N m:
- 764 4 120
- 額定靜力矩(4) Ty N m:
- 764 4 120
